SL180系列滑动门

奢侈私享 高品质推拉门产品。
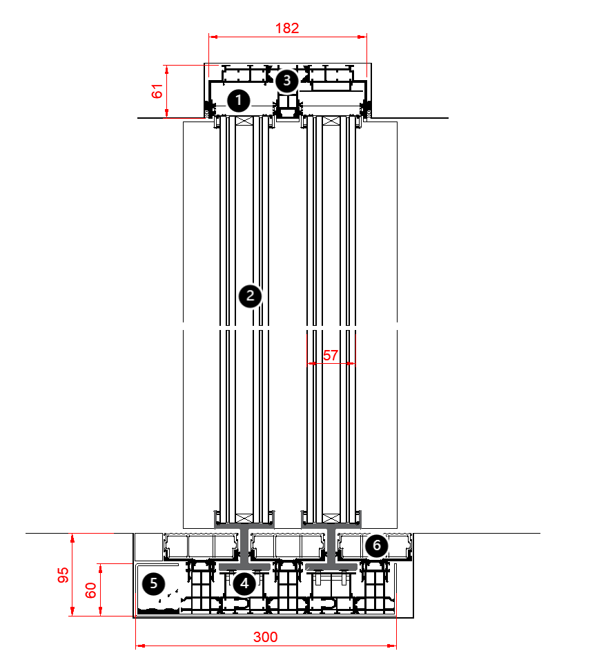
全隔热的结构设计,搭配60mm规格玻璃,可实现整体建筑的防弹设计
产品介绍
性能参数
   最大高度                         9000mm
   最大宽度                         6000mm
   最大重量                         1500kg
   隔热条规格                      60mm
   最大玻璃尺寸                   24
   玻璃规格                         60mm
   型材视面                         20mm
平面、立体解析图
滑轨
隐藏滑轨
自动门锁展示
人脸刷卡     刷卡密码      人脸密码        单独刷卡        单独人脸         墙控      遥控

SL180系列自动门系统拥有面部识别、指纹解锁和遥控解锁三种开门方式,门内自带防夹系统,让门窗进入互联网时代,


网络的配置也可选择有线连接,也可配置wifi,并且可以将设备接入云服务,通过移动客户端对设别进行操作。


自动门的智能识别功能非常强大,视频和照片都将拒之门外,无论是公司考勤,还是家装,都是智能、美观与安全一体的优质选择

L型锁展示

SL80系列L型锁装置多点锁闭系统提供了强力的防盗防护功能。

该系统可以安装一个集成的开启和锁定监控,并连接到外部监控系统。

根据系统配置,可使用隐蔽式电气驱动器来提高操作舒适性。